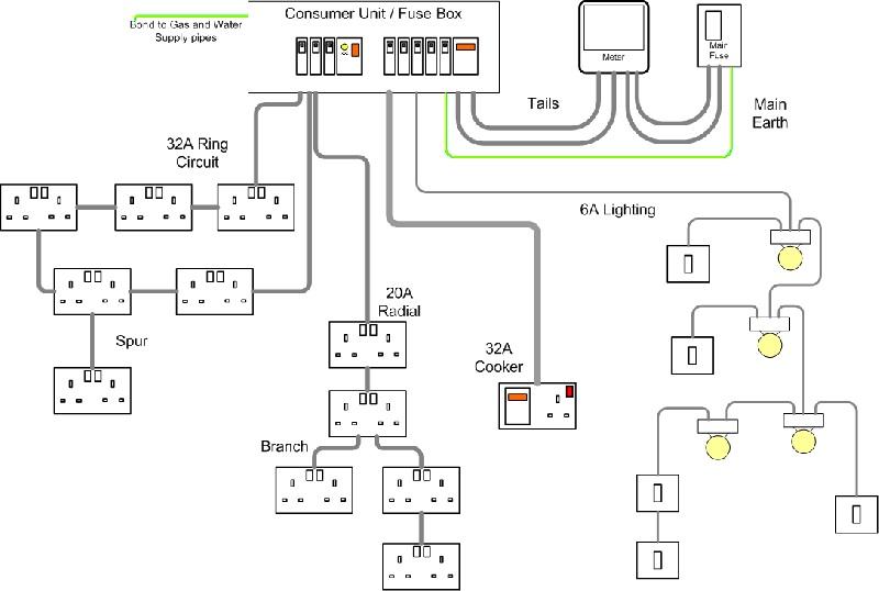
Each protected by a 5 amp fuse or 6 amp trip in the consumer unit. Fig 1 shows what is referred to as a radial circuit sometimes called a loop in or multi point radial lighting circuit.
1965 Mustang Engine Diagram Filterx 15 Brillenstudio
Radial lighting circuit diagram. The radial lighting circuit has 3 common wiring options which may be mixed at will. In modern domestic properties in the uk the main electric lighting circuits are separate from the power ring main circuit. Floor areas of no more than 50m2 requires a 20 a fuse or miniature circuit breaker protection with 25 mm² live and 15mm² protective conductors or 15 mm² if mi. This is the most common method. Each house should ideally have at least two lighting circuits. Multi point loop in radial lighting circuit the light wiring diagram shows how the live feed from the consumer unit fuse board shown in blue in fig 1 feeds into the first ceiling rose ceiling rose a.
As described above a radial circuit starts at the consumer unit connects to each socket outlet in turn and ends at the final socket outlet. Picture 2 below shows a typical radial or junction box lighting system a two core and earth cable runs from the consumer unit to a series of junction boxes one for each lighting point ceiling rose. I concentrated on particular one where all cables are connected at the switch. A radial circuit must follow these rules in general. Electrical wiring how to wire a light junction boxes light wiring diagram lighting circuit lighting wiring diagram radial circuit. Here we will explain how the most common lighting circuit works then well.
The circuit is fed to each lamp fitting in turn and a separate cable connects from the fitting to the switch. Loop in as per diagram above. Always isolate any electrical circuit before working on the circuit. Radial or junction box wiring. Radial socket outlet circuits are less common in uk dwellings as until recently the usual method was the ring circuit. A radial circuit is a linear mains power circuit found in all homes to feed sockets lighting points and other specific items like showers cookers boilers or immersion heaters etc.
From each junction box a separate cable runs to the light and another runs to the switch. It is simply a length of appropriately rated cable feeding one power point then possibly going on to the next. Its much more convenient if you. Multi point radial lighting circuit old cable colours if you are new to lighting circuits this is a good place to start. Hi in this video explains the 3 systems of lighting circuits used in the uk.













