Wiring diagram for two speed moto explained. Two speeds two directions tapped wound multispeed 3 phase motor control diagram.
Plant Engineering How To Properly Operate A Three Phase
Wiring diagram for two speed three phase motor. Below is the motor data plate and whats left of the wiring diagram. I believe i need to wire u1 v1 w1 to power and leave u2 v2 w2 disconnected. Please help how to go about this. Thermal contacts tb white m 1 z2. Diagram dd6 diagram dd8 m 1 ln e diagram dd9 m 1 ln e white brown blue l1 l2 n sc bridge l1 and l2 if speed controller sc is not required diagram dd7 ln e l1 l2 n sc z2 u2 z1 u1 cap. This three speed motor is.
Power and control circuit for 3 phase two speed motor. I think i have this right but its always best to check before applying power. I am trying to wire up a two speed 6 wire 3 phase motor to run at its highest speed. One contactor burnt for high speed and a replced contactor does not engange originally the coils re fed with a nutural and the one i replaced is only working with a phase. Here is a video on how to wire a single phase three speed alternating current blower motor for another purpose. Wiring a 3 speed blower motor cool stuff guys like.
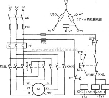
Kindly email me the diagrams for star deltor and direct online for a 3speed 1directon 3ph motor have two of them in a bow cutter. Diagram dd5 two speed motors for all other single phase wiring diagrams refer to the manufacturers data on the motor. Like subscribe and dont skip the ads siemens logo tutorials. 2 speeds 2 directions multispeed 3 phase motor power control diagrams abbreviationsol over load relayno normally opennc normally closelow low speedhigh high seed for forwardrev reverse two speeds two directions multispeed 3 phase motor power diagram power diagram.

















