Black car radio illumination wire. 1990 chevrolet blazer 2dr suv wiring information.
Gf 4112 Diagram On Chevy Astro Hydroboost Power Steering
Chevy astro wiring schematic. 1989 chevrolet astro van wiring information. Gray stereo dimmer wire. Chevrolet express 1996 2002 duration. Presented here using cg animations and graphing software to explain the topics. Orange radio accessory switched 12v wire. 1990 chevrolet c1500 2dr ext cab pickup wiring information.
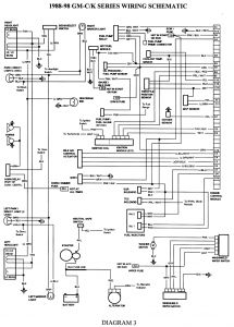
Chevrolet astro wiring diagram 97 circuit wiring diagrams part 1 fuel pump circuit tests gm 4 3l 5 0l 5 7l how to wire a fuel sending unit it still runs free chevrolet vehicles diagrams schematics service fuel gauge wiring diagram chevy free wiring diagram chevy astro van schematic automotive dslreports chevrolet wire information your chevrolet. 2004 chevrolet astro van stereo wiring information. Listed below is the vehicle specific wiring diagram for your car alarm remote starter or keyless entry installation into your 2000 2001 chevrolet astrothis information outlines the wires location color and polarity to help you identify the proper connection spots in the vehicle. 1985 chevrolet cavalier 2dr coupe wiring information. 1988 chevrolet blazer 2dr suv wiring information. Black radio illumination wire.
Fuse box location on a 1995 2005 chevy astro duration. Yellow car radio ground wire. Dimas diy 8841 views. Camino chevrolet el 1985 2dr sut wiring information. Where can i find a stereo wiring diagram for a. Yellow radio ground wire.
Radio battery constant 12v wire. Pink left front speaker positive wire. Tan left front speaker negative wire. Part of our wiring diagram interpretation and electrical series videos on this channel. Gray right front speaker positive wire. Brown stereo antenna trigger wire.
I couldnt find a 2001 but i think this will work 2000 chevrolet astro van stereo wiring diagram car radio battery constant 12v wire. Orange car radio accessory switched 12v wire. Gray car stereo dimmer wire. Wiring diagram schematics for your 2004 chevy truck get the most accurate wiring diagram schematics in our online service repair manual its important to stay well informed about your 2004 chevy truck and especially important for diy types to have accurate wiring diagram schematics. 1989 chevrolet impala 4dr sedan wiring information. Fuse box location and diagrams.
Wiring diagram for 1997 chevy silverado chevy astro wiring diagram free download schematic wiring diagram post wiring diagram for 1997 chevy silverado wiring diagram is a simplified enjoyable pictorial representation of an electrical circuit.


















