In this tutorial we will show the star delta y δ 3 phase induction ac motor starting method by automatic star delta starter with timer with schematic power control and wiring diagram as well as how star delta starter works and their applications with advantages and disadvantages. Power control wiring diagram of star delta starter.
Star Delta Wiring Diagram Google Play De Uygulamalar
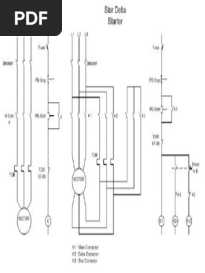
Diagram kontrol star delta. The control circuit uses to control the starter circuit such as on off and tripping operations. Star delta starter wiring diagram this post is about the main wiring connection of three phase motor with star delta starter and control wiring diagram of star delta starter. Control wiring of star delta starter with diagram wiring diagram is a simplified adequate pictorial representation of an electrical circuitit shows the components of the circuit as simplified shapes and the capability and signal connections amongst the devices. R y b red yellow blue 3 phase linescb general circuit breakermain mai supplyy starδ deltac1 c2 c3 contatcors power diagramol over load relayno normally opennc normally closed k1 contactor contactor coil k1no contactor holding coil. Here the circuit diagram of star delta starter explained in detail. Lets understand the star delta starter diagram.
Star delta starter without timer for 3 phase induction motor. How to wire star delta motor starter. In my last post i share a star delta starter wiring diagram 3 phase motor connection. Power and control circuit. A 8 pin timer are used. In this post you will learn complete star delta starter wiring with timer normally open push button switch and normally close push button switch.
Star delta starters consist of a power circuit and control circuit. But high load 3 phase motor we use the star delta starter for motor. The on delay timer diagram is also shown in the diagram. Refer to the below star delta circuit. What i have given in this wiring diagram the same will be used in many industrial. The power circuit uses to create contact between the motor and three phase power supply.
So this time i want share my simple star delta circuit diagram completed with power and control line circuiti hope it can be as basic reference for all electrician about star delta starter diagram. Star delta connection circuit diagram. Here will see the practical star delta starter wiring diagram. The power circuit diagram and control circuit diagram of an automatic star delta starter are explained below. For three phase motor we use the direct online starter but mostly for small three phase motor. Star delta wiring diagram electrical engineering updates.
Star delta starter control circuit diagram star delta control circuit star delta motor connection motor control with circuit. The most active post in electrical engineering centre blog is star delta starter and star delta motor connectioni received many comments and request for star delta circuit diagram. Star delta starter control circuit diagram is today topic. Here you will learn the connection of star delta starter with three phase motor.














