The honeywell home trademark is used under license from honeywell international inc. I have an s plan setup with a system boiler glow worm ultracom2 30sxi with vented cylinder.
Robert Whitney Robertw1284 On Pinterest
Honeywell evohome wiring diagram. Also see for honeywell evohome. Page 43 installation guide appendix wiring diagrams heating system schematics in this section sample evo systems wiring diagrams safety information evohome controller technical data. System test 29 configuration and. Keep informed of all exciting honeywell home developments on our news page. The evohome controller will. Power up and bind devices 13 step 4.
Honeywell evohome manual online. Honeywell evohome installation manual 52 pages. 032020 covid 19 sales bulletin. Contains all the essential wiring diagrams across our range of heating controls. Hi im in the process of installing an evohome system to control my heating and hot water controller hot water kit and 16 hr92s. Honeywell evohome installation manual 52 pages.
Set up your. Set up your evohome controller 9 step 3. System test 29 configuration and modification 37 appendix 41 evohome installation guide 1. Wire up the heating system 3 step 2. Home news events wiring guide issue 17 2018 launched. Some devices need mains power or to be connected to external equipment and its best to wire up these items first to simplify the binding process later in the setup.
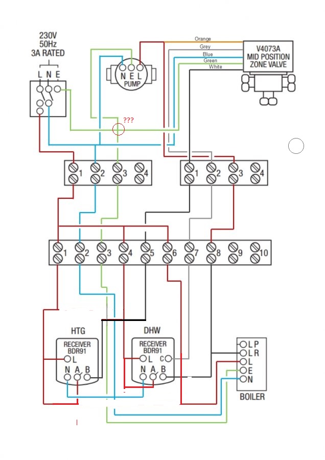
Its a good idea to carry out all the mains electrical and other wiring work first. Id like to get input on whether ive understood the wiring diagrams for my intended setup. The mains electrical and other wiring work first. Controller 9 step 3. Honeywell wiring diagrams for the correct wiring of bdr91s for combi boilers motorised zone valves and s plan and y plan systems is on page 44 to page 47 of the evohome installation manual and the bdr91 reset procedure is on page 19 step 1 it says press and hold the button for 15 seconds but in practice just press and hold until you get a fast flash which occurs at a count of about 15 seconds ignore the slow flash after 5 seconds at this stage. Wire up the heating system evohome communicates using wireless on a robust 868mhz signal that is unaffected by common remote controls or wifi.
My personal experience of the honeywell evohome system is that it is very easy to honeywell wiring diagrams for the correct wiring of bdr91s for combi. Our wiring diagrams section details a selection of key wiring diagrams focused around typical sundial s and y plans. Details are updated every month. This insight inspired the latest overhaul of honeywell homes wiring guide app. Wire up the heating system 3 step 2. Figure 5 wiring for a basic boiler not requiring a pump overrun.
System guide match each device to the room or zones in your plan. Im aiming to achieve the figure 4 setup in the installation guide. Power up and bind devices 13 step 4. As well as providing immediate access to honeywell homes popular product wiring diagrams the revised app allows installers to troubleshoot issues explore new product features and browse industry articles. The relay powers the boiler live input. In this guide step 1.

















