Information about the device of the hydraulic system is shown on the hydraulic diagram using symbols. When analyzing or designing a hydraulic circuit the following three important considerations must be taken into account.
3 Ways To Reduce Hydraulic Shock
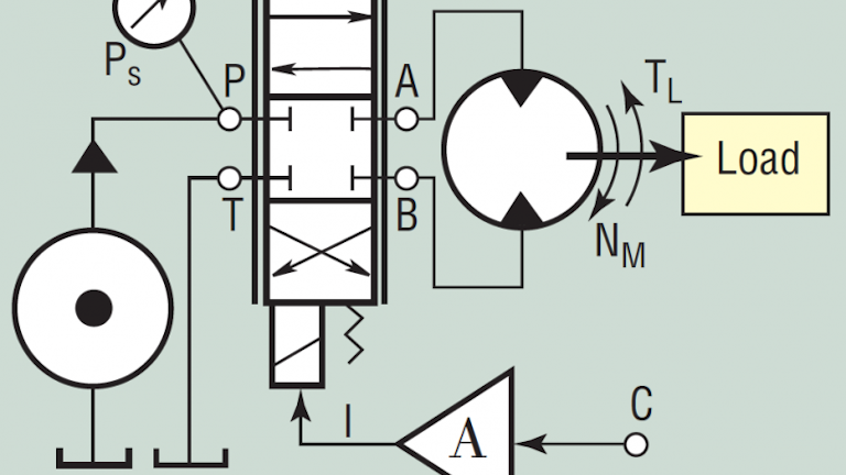
Hydraulic motor control circuit diagram. The directional control valve with built in relief features optional flow control to control the speed of the winch. Symbol for an open reservoir with a strainer. Symbol of flow control valve used in hydraulic system circuit diagram. Symbols for hydraulic systems are for functional interpretation and comprise one or more function symbols. With the basic function understood a detailed study of the diagram can be accomplished using a step by step analysis of each numbered local area in the diagram. From a knowledge of hydraulic circuit analysis it is further known that the valve pressure losses relate to the square of the flow through each respective valve coefficient.
Safety of operation 2. A flow control valve is used for adjusting the flow rate of a fluid in a pipeline. The hydraulic pump and motor must be matched to the torque requirements of the winch. Without getting into the mathematical derivation this leads to the valve control of motor motion vcmm equation. How to read hydraulic circuits. This video explains the working of hydraulic circuit used to control the speed of bidirectional variable displacement hydraulic motor by using variable pressure temperature compensated flow.
The valve contains a flow passage or a port whose area can be varied. The diagram shows a winch powered by a hydraulic motor. Hydraulic systems are often used in press work or other applications where the work piece must be held in place. The bleed off circuit shown in figure 12 26 is even less effective than the meter in circuit. Bleed off or bypass flow control circuit for a hydraulic motor. Hydraulic circuit design and analysis a hydraulic circuit is a group of components such as pumps actuators and control valves so arranged that they will perform a useful task.
Figure 2 helps illustrate the various pressure drops. With bleed off flow control the motor inefficiency combines with the pump inefficiency to produce an even greater loss of rotational speed as the motor loads. Hydraulics schematic symbols are a basic component of hydraulic circuit. Local area number 1. Symbol of pressure control valve used in hydraulic system circuit diagram.
















