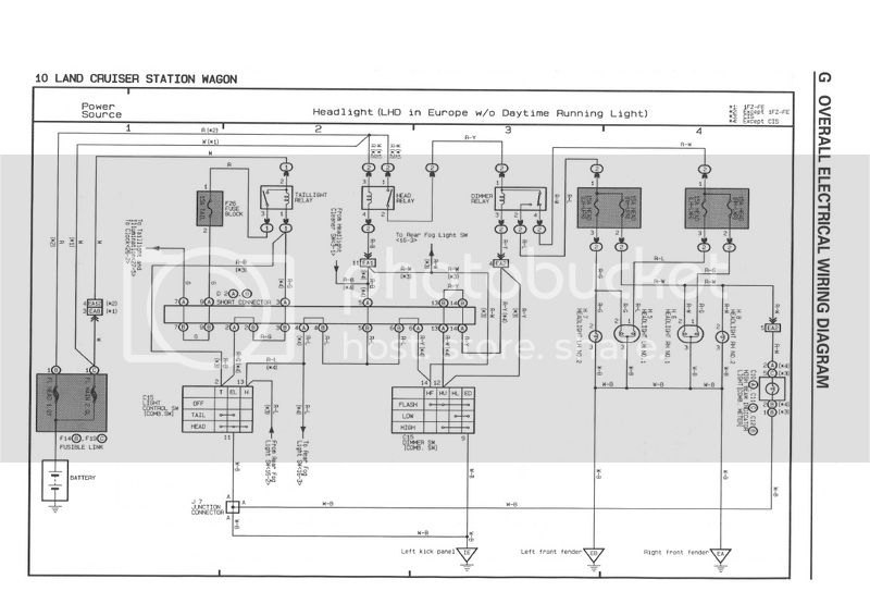
When i was running the wires i encountered the oddball circuit toyota decided to use for their headlights. A possible idea is to earth the wires onto the negative pole of the battery.
Aob Switch And Black Oak Lights Wiring Toyota 4runner Forum
Negative switching toyota hilux spotlight wiring diagram. Installation diy video toyota hilux with lightforce htx driving lights installation instructions. The other two are the positive wires one for the low beam and one for the high beam. They do this so that each headlight can have its own 12v supply and fuse meaning in the event of a problem you only lose one light. I installed some aftermarket driving lights in my 4runner. Includes h4 hb3 connectors and comes 90 pre assembled with easy to follow instructions. I frequently see wiring diagrams for driving lights that just dont work in many cars.
This is a follow up from my previous question regarding the fitting of spotlights to my 2011 hilux sr. It a basic headlight wiring up grade and you dont need to know whether the vehicle is positive or negative switched the wiring sorts it out automatically. So its necessary to keep any non standard wiring downstream of the relay. I have everything mounted lights relay dash switch and all the wiring is ready to connectbut i cant seem to determine which of the two wires that go down to the headlight is the actual high beam that i need to join in to because when i run a test light to find the correct wire. Ford recommend that you pick up from the headlight feed. One of the wires is the negative or ground wire.
One thing i would change is the cable between the battery and the fuse block this should be at least 6mm to give the best results. Instead of switching the positive leg of the headlight toyota switches the negative side. Wiring diagram for spot lights on a hilux. Includes dash switch high beam triggered relay to make your lights install legal. The new ford ranger is positive switched at the lights. A quick guide to installing your illuminator wiring harness for illuminator 9 round driving lights or led lightbars.
Toyota nearly always and nissan often use a what is known as switched earth wiring for their headlights. Problem arises when you tap in to the relay switching because it then feeds in to the etacs ecu which controls other things including the dash high beam light. This isnt unheard of but it does present the problem of where to get a signal from the headlight in order to trigger the relay for the. Makes light work of wiring up your kings 7 9 led spotlights. Also connect pin 85 of the relay to an earth possibly using the same screw that secures the relay. Plus a quick tutorial on how to make it work on your negatively switched 4wds.
Now connect a wire between the batteries positive red pole and pin 30 of the relay with the bakelite fuse holder in this wire but do not insert the fuse yet.
















