The salient features. Wiring relays pulsar 180 bs4.
D949e6 F 150 Pickup Wiring Schematic Wiring Library
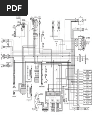
Pulsar 150 electrical wiring diagram. After 14 years in 1959 bajaj auto acquired a state license for the. Bajaj pulsar wiring problem solved using jumper wire watch other videos httpsgooglkudjfq best automotive productaffiliate httpswwwamazoninsh. View and download bajaj pulsar 180 dtsi workshop manual online. Electrical circuits page no. Pulsar 150 twin disc bs4 2 pulsar 150 bs4 2 pulsar 135ls bs4 2017 18 1 avenger cruise 220. For more information about your issue please visit the websites below.
Some bajaj motorcycle parts manuals wiring diagrams pdf are above the page cheetak super excel legend. 1 2 scrapper v ives sohc 13 ps 987 kw at 8500 rpm 1168 at 6500 rpm electric and ki 5 speed dual spark ignition. Bajaj pulsar 150cc india wiring diagram hi anonymous i am sorry you cant find the first and best tool you ever bought for your bajaj but despair not for a mere 10 you can download another one. Wiring relays pulsar rs200. Whichever occurs earlier from the date of sale. Honda c102 c 102 electrical wiring harness diagram schematic here.
For details please refer to warranty. Honda c200 c 200 electrical wiring harness diagram schematic here. Pulsar 150 cc dts i 4 stroke air cooled 14391 cc 57 x 554 9505. Pulsar 150 wiring lighting starting problem solution duration. Page 1 vehicle dealers or authorised service centres as per the schedule contained in this booklet your bajaj pulsar 150 dts i comes with a warranty of 2 years or 30000 kms. Honda c95 150 benly electrical wiring harness diagram schematic 1959 1965 here.
Pulsar 180 dtsi motorcycle pdf manual download. Scope limits given in this manual. Wiring relays pulsar ns200 bsiv. 14 22 23 27 30 34 35. Discover bike ki full wiring ki jaankari duration. Your safety mechanic 98512 views.
Wiring relays pulsar ns160. Wiring relays pulsar as150. The indian brand bajaj auto founded in 1945 ranks third in the world in the production of motorcyclesinitially the company was in the sale of 2 and 3 wheel carts rickshaws popular among the indian population. Honda ca95 150 benly electrical wiring harness diagram schematic 1959 1965 here.

















