How to make dol starter control and power diagram dol starter on off indication wiring on off indicator connection dol starter installation elecatrical drawing application link. Reversible dol rdol starter this kind of starter is required when the motor is required to run in both forward as well as reverse directions.
How To Troubleshoot 3 Phase Induction Motor Step By Step
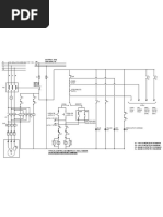
Rdol starter control circuit diagram. This is why such a starter is used with induction motors rated below 5 hp. Rdol reversible dol starters are simply two dol starters in the same box and allow the motor to be started in one direction and then in the other direction. The connection of contactor can be done among relay coil supply voltage as well as thermal overload. The l1 contactor is connected from normally open no to r phase using mccb. The direct online or dol starter employs full voltage or across the line starting technique where the motor is directly connected to full voltage through mccb or circuit breaker and relays for overload protection. Aaj ki is video me dekhenge reverse forward motor starter wiring diagram with control and power wiring reverse forward starter rdol motor starter ki wiring diagram motor starter in hindi.
Rdol starter consists of two contactors connecting power supply to the motor. Dol starter control diagram three phase. The wiring of direct on line control circuit starter is following. The first contactor provides a phase sequence to stator of motor to produce rotation in one direction while other contactor has different phase sequence changing the di.












