It shows the components of the circuit as simplified forms as well as the power and signal connections in between the devices. The icemaker wiring diagram is molded on the inside front cover of the icemaker.
Refrigerator Wiring Diagram Electrical Wires Amp Cable Freezers
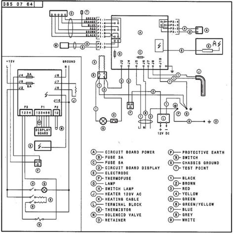
Refrigerator electrical diagram. Wiring diagram ac samsung save samsung refrigerator parts diagram just whats wiring diagram a wiring diagram is a type of schematic which uses abstract pictorial symbols to reveal all the interconnections of components in a system. Ge refrigerator wiring schematic collections of ge refrigerator wiring diagram collection. Whirlpool ice maker wiring diagram luxury excellent ge profile. If not the structure wont function as it should be. A wiring diagram is a streamlined conventional photographic depiction of an electrical circuit. Whirlpool refrigerator wiring diagram whirlpool double door refrigerator wiring diagram whirlpool fridge freezer wiring diagram whirlpool fridge thermostat wiring diagram every electrical arrangement consists of various distinct parts.
Inside the refrigerator section in the control panel. Assortment of kenmore refrigerator wiring diagram. It shows the components of the circuit as streamlined forms as well as the power and signal connections between the gadgets. A wiring diagram is a simplified conventional photographic representation of an electrical circuit. Each part ought to be placed and linked to different parts in specific manner. In this video you can learn about the defrost timer wiring diagram of a frost free refrigerator and circuit diagram step by step details about the function of the timer bimetal heater thermostat.
Ge stove wiring diagram collection. Variety of ge refrigerator wiring diagram. How to obtain a wiring diagram or schematic. Electrical wiring representations demonstrate how the cords are connected as well as where they should situated in the actual device in addition to.













