Wiring diagram two speed ac motor refrence us a1 d with aqua rite a beginner s overview to circuit diagrams. A very first look at a circuit representation might be confusing however if you can read a train map you could check out schematics.
Single Phase Induction Motors Electric Motor
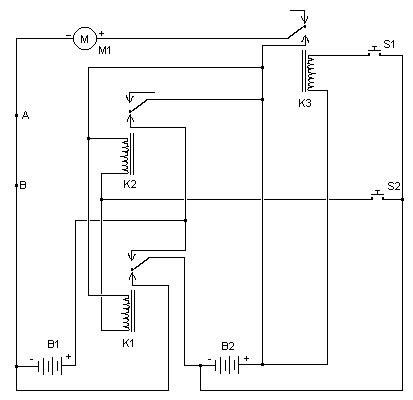
Two speed motor wiring diagram. Literally a circuit is the path. The two speed 110v motors i have seen would work with a spdt switch. Power and control circuit for 3 phase two speed motor. This will work but you may want to consider having the on off on a separate switch from the high low. Two speed electric motors operate in one of two ways. 2 speeds 2 directions multispeed 3 phase motor power control diagrams abbreviationsol over load relayno normally opennc normally closelow low speedhigh high seed for forwardrev reverse two speeds two directions multispeed 3 phase motor power diagram power diagram.
Two speeds two directions tapped wound multispeed 3 phase motor control diagram. Getting from factor a to direct b. The purpose is the exact same. Kindly email me the diagrams for star deltor and direct online for a 3speed 1directon 3ph motor have two of them in a bow cutter. One terminal is the ground another common. Below is a diagram showing a spdt center off switch.
They typically have two separate hot wires one for each speed and a shared neutral. However the wiring to the motor is the same. Two separate windings designed to rotate the motor at two different speeds or inbuilt resistors which alter the voltage supplied to windings. Like subscribe and dont skip the ads siemens logo tutorials. Please help how to go about this. One contactor burnt for high speed and a replced contactor does not engange originally the coils re fed with a nutural and the one i replaced is only working with a phase.
Wiring diagram for two speed moto explained. It has four terminals.

















