The output of the ir receiver is a decoded output of the signal from remote control. In this project a simple voice activated home automation system is designed.
Elevator Door Open And Closed System 3 1 2 Speech Control
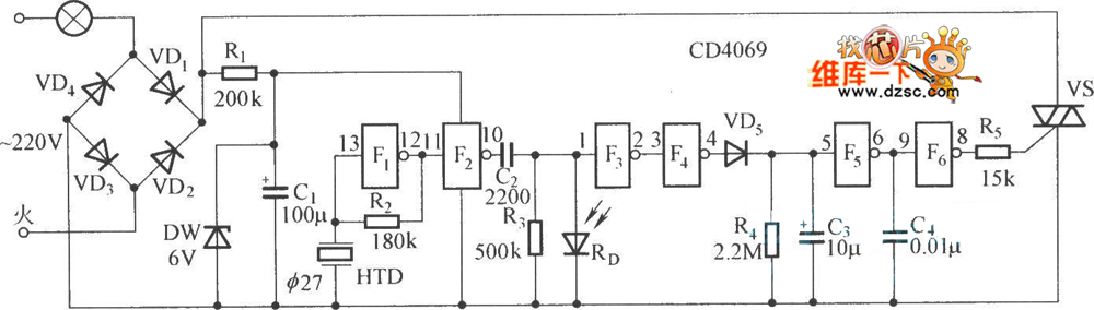
Voice control switch circuit diagram. Circuit diagram for this voice controlled lights is given below while uploading the code in the arduino uno disconnect the rx and tx pins and connect again after the code is uploaded. Clap switch circuit diagram using 555 ic ankit jat. This circuit overcomes this weakness. The microphone preamplifieru1 receive input signal which will be amplified. The vox switching threshold is 600mv on r2 and the maximum input voltage must not be higher than 40vpp. Threshold control r8 is fed by the amplified signal.
This circuit overcomes this weakness. This circuit uses an mc2830 to form a voice activated switch vox. 1 relay 12v dc 2 resistance 10k ohm. In a noisy environment the switch is often triggered by noise or the activation sensitivity must be turned down. A traditional vox circuit is unable to distinguish between voice and noise in the incoming signal. This schematic diagram below show a circuit of vox box voice operated switch.
The actuating threshold is set thru the volume potentiometer of the amplifier which command the vox circuit. Voice commands are used to control different appliances. Here we are explaining few parts of code. Circuit design of remote controlled light switch. All the connections are made as per the circuit diagram above. A traditional vox circuit is unable to distinguish between voice and noise in the incoming signal.
We will now see the working of the project. After making the necessary connections we have to switch on the power supply to the circuit. The post details 3 simple sound activated relay switch circuits which can used as a module for any system that might be assigned to trigger by detecting some kind of sound pressure levelor simply applications such as a voice activated alarm security circuit. Hello my loved people today i would to show you about how to make automatic switch on the light by voice or sounds automatic switch circuit. This circuit consist of a schmitt trigger a relay driver and microphone preamplifier. In a noisy environment the switch is often triggered by noise or the activation sensitivity must be turned down.
Vox is a voice controlled switch used often for microphones replacing the classic switching button. This circuit uses an mc2830 to form a voice activated switch vox. Alternatively the relay circuit can be built as per the circuit diagram. Controlling applications with google assistant home automation project in this project i will make a voice control home automation dev. Saturday june 29 2019. The complete arduino code for voice controlled leds is given at the end.
Code and explanation. The main components of the project are ic cd4017 and tsop 1738 ir receiver. A single channel relay board is sufficient.


















