Jun 30 my bavaria 47 has a volvo penta starter switch. Volvo 240 1976 wiring diagram.
Dave S Volvo Page Volvo Adjustable Voltage Regulators
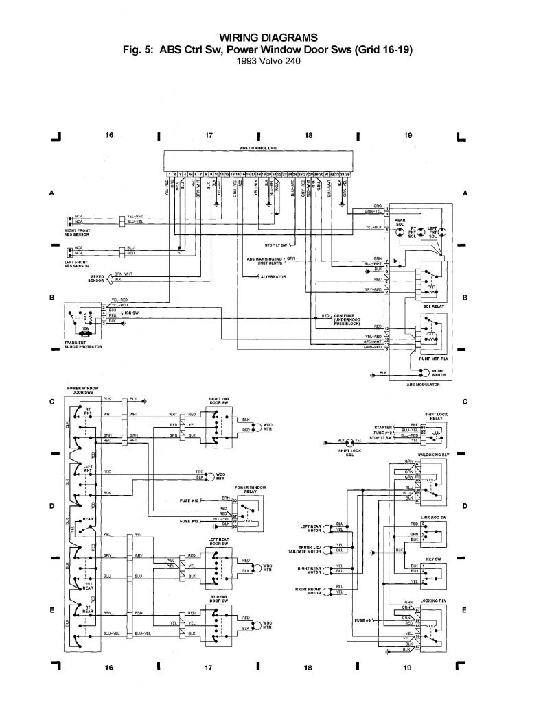
Volvo 240 alternator wiring diagram. Volvo 240 instrument cluster and gauge wiring below i have compiled 240 instrument cluster wiring for several different years. Volvo penta starter and altinator wiring diagram. 1995 volvo 850 starter bosch wiring diagram. The wiring diagram has me confused as far as i remember i only have 4 positions stop off on start and im pretty sure i dont have glow plugs. Remember to take all necessary safety precautions when working on your car. Replacing the alternator yourself on a volvo 240 is a relatively easy job which can save you substantial labor costs.
A lot of them did change. The function of an alternator is to charge the car battery and to generate power to the electrical system when the engine is running. The 240 original alternator design doesnt offer enough belt wrap or belt to pulley contact for an alternator that can push a heavy load. Volvo penta aq alternator wiring diagram. Volvo 240 260 1980 wiring diagram. If youre converting an instrument cluster to fit a different year than intended pay strict attention to any pins that have changed.
Volvo 240 and 260 wiring diagrams. Shows console switch control and simple relay non electronic gating compressor with blower control. I did the lot in about 4 hours including preparing a wiring diagram re routing alternator and ignition cables to save time. Volvo 240 1990 alternator problems. The pages linked below contain technical data and help for the service and maintenance of various volvo cars. Volvo 240 ac notes 1975 1993 1978 new car features.
Sidecar microswitch added for idle speed control. Post by 5ft24 04 apr 2014 1956 should have the fat wire for the charge out 2 wires coming out of a harness for b and charge light and the ground wire. 1980 shows electronic time delay relay and thermostatic control added. Some even changed from power to ground. I spliced in the old connectors soldered splices and heat shrink insulation and used corrugated ducting. If you own a volvo 240 then you have probably experienced some electrical problems along the way.
2005 volvo s40 04 v50 wiring diagram supplement tp 3984202rar. The k jet engine harness is pretty easy to repair fab splicing in existing connectors or using new connectors. Most are volvo documents. 2004 volvo s40 04 v50 electrical wiring diagram tp 3974202rar. Cleaning the grounds that are made from dissimilar metals and applying a dielectric grease or. By 1982 the new permanent magnet blower is on low speed with key.
Volvo 240 1975 wiring diagram. Volvo s80 wiring diagram. Volvo engineers added a second belt to the 240 which makes it better but when you exceed the grip capacity for those belts its just going to slip.

















