A wiring diagram usually gives suggestion just about the relative approach and promise of devices and terminals upon the devices to incite in building or servicing. Im installing a bathroom extractor fan this weekend and have a question about the wiring of the humidistat that will be controlling it.
Aprilaire 700m Nest Without Humidistat And Transformer
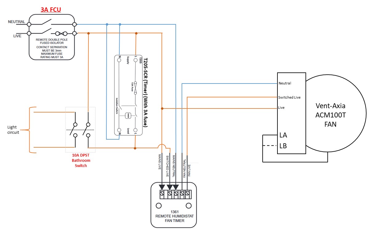
Wiring diagram for extractor fan with humidistat. A 3a fuse will protect neither the. Humidistat fans are triggered by the level of moisture in the air. To read a wiring diagram firstly you have to know what fundamental elements are included in a very wiring diagram and which pictorial symbols are widely used to represent them. Diagram showing wiring method for an independently switched extractor fan. The interchangeable humidistat leads the two short pieces of wire extending from the rear of the humidistat can connect to either black colored low voltage wire. Heres the wiring diagram the question i have is that in the diagram there are 3 inputs into the humidistat mains live switched live and mains neutral.
Thus they respond when the air gets steamy and run until the humidity level is reduced. Humidity extractor fan wiring diagram wiring diagram is a simplified suitable pictorial representation of an electrical circuit. The common elements in the wiring diagram are ground power source wire and connection output devices switches resistors logic gate lights etc. Hi this video is about wiring a bathroom extractor fan wiring fan to the three pole fan switch isolator and pull cord switch. Grab one humidistat lead and one black colored low voltage wire strand. Twist the ends together with pliers.
Installing the switched fan. Fans are available with a built in humidistat or alternatively an external humidistat can be connected to other types of fan. Fans with a built in humidistat. It shows the components of the circuit as simplified shapes and the capacity and signal friends in the midst of the devices. The fan im connecting is manrose gold with over run timer. The supply for this can be taken from most existing circuits providing the switched fused unit sfu is present at the start of the installation and appropriately fused to protect the sub circuit cabling and accessories.
Manrose fan wiring diagram wiring diagram is a simplified adequate pictorial representation of an electrical circuitit shows the components of the circuit as simplified shapes and the gift and signal links between the devices. Screw a wire nut over this pair of wires.
















