Collection of scion tc wiring diagram. Scion xb 2004 2007 fuse box diagram.
Switching Out Tail Light Lamps To Leds Need Help Scion Xb
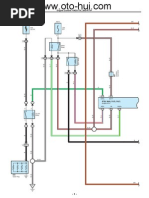
2005 scion xb tail light wiring diagram. They have a simple but at the same time very attractive design and a low price. Scion xb throttle body. Em0090u and includes all production changes effective dec. Scion xb tail light. Found a few online that look like mine 8 pin toyota 81980 46010 066500 5531 but all sites say the same thing that the led flasher only works up to 2010 are there any that do work for my. And in times like this it would be better for people to check the engine at the first.
It covers all information in the previously issued pub. 2005 scion xb suspension steering tire and wheel. A wiring diagram is a simplified standard pictorial depiction of an electric circuit. From everything i have seen there is no led flasher relay for a 2011 scion xb tell me thats not true. This wiring diagram manual has been prepared to provide information on the electrical system of the 2006 xb. Please leave your comments and questions below.
2005 scion xb internal engine. Scion xb 2005 overall wiring diagram free download as pdf file pdf text file txt or read online for free. We recommend using a relay whenever wiring a back up camera system to isolate the system from the light control modules. It reveals the elements of the circuit as streamlined forms and the power as well as signal links between the devices. Scion fault codes dtc. Passenger compartment scion xb fuse box diagram passenger compartment.
2005 scion xb truck and towing. 2005 scion xb powertrain. 2005 scion xb interior. This is a set of overall electric wiring diagrams for the scion xb 2005. 2005 scion xb ignition tune up and routine maintenance. Engine troubles on the car may be caused by faulty wiring or a defective engine.
Scion xb vapor canister. This manual applies to the models listed below. Scion car manuals pdf wiring diagrams above the page fr s im ia iq tc xa xb xd tc. The scion brand is owned by the japanese toyota corporationsince 2003 cars for youth have been produced under this brand. Scion xb water pump. 2004 2005 2006 2007.
The road and this has caused so much trouble and hassle for them.














