For installations involving more than one control in a wallbox refer to multigang installations before beginning. Diy 3 way switch lutron caseta wireless dimmer install with no neutral wire or traveller wire duration.
Lutron Maestro 5 Amp 600 Watt White 3 Way Digital Dimmer With
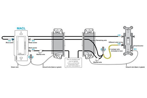
Lutron maestro 3 way dimmer wiring diagram. Wiring a maestro dimmer in a 3 way with a mechanical switch lutron electronics. This type of installation cap or remove the green ground wire on the dimmer and use maestro dimmers are not compatible with standard 3 way switches. Inadequate wire installation could overheat wires and cause a fire. Use the screw or push in terminals when making connections on the dimmer or accessory dimmer. Dvstv wires as single pole or 3 way dimming performance. Diy 3 way switch lutron caseta wireless dimmer install with no neutral wire or traveller wire duration.
Lutron 3 way dimmer wiring diagram ge z wave 3 way switch wiring diagram elegant lutron 3 way dimmer valid wiring. You wire three way luthron dimmer switches the same as all other three way dimmer switches. Inspirational lutron dimmer for led lights medium size awesome. Lutron 3 way switch wiring diagram. Here is a quick video tutorial for installing the lutron maestro occupancy sensor dimmer in a 3 way. It shows the elements of the circuit as streamlined forms and the power as well as signal connections between the devices.
A wiring diagram is a simplified traditional photographic depiction of an electrical circuit. They are wired in combination with one standard three way toggle switch which allows the light to be turned on and off from two positions with the three way dimmer switch controlling the lighting level. Diy smart home guy 100514 views. Wiring a maestro dimmer with companion dimmer. Click on the image to enlarge and then save it to your computer by right clicking on the image. 010 v control link controls third party fixtures.
Wiring diagram using a power pack. V dimmable driver system diagram lutron dimmer with lutron power pack. Assortment of lutron maestro 3 way dimmer wiring diagram. Lutron maestro 4 way dimmer switch 3 way dimmer switch how to write. Lutron 3 way switch wiring diagram download electrical can i add an occupancy sensor to a 3 way circuit. Dimmer can be installed on the line side load side or in the middle of the circuit.
Variety of lutron 3 way dimmer wiring diagram. Maestro led dimmer wallbox controls wiring diagrams continued dimmer line side dimmer load side dimmer in the middle 4 way wiring using ma r companion dimmer note. Neutral black black black brass brass brass dimmer companion dimmer companion dimmer blue.
















