Hello friends irfan ali aaj hum sikhenge ki two way switch ka wiring kaise kiya jata hai video achi lagi to like kare technicalsupportirfanali. Let us take a look at both these wirings.
What Is The Function Of A 2 Way Switch Quora
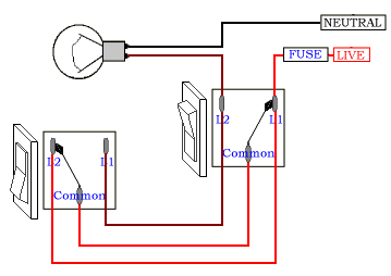
Two way switch ka connection. Hello friends irfan ali aaj hum janege ki two way switch kaise kam karta hai agar aap jan jayege ki two switch kaise kam karta hai to two way switch ka wiring aap khud kar loge video achi lagi to. Two way switch can be operated from any of the switch independently means whatever be the position of other switch onoff you can control the light with other switch. Find here the complete tutorial. One is an older method which is not often used now a days and the other is a more modern and safer version which is being implemented in industrial as well as residential applications. Dosto is video ke madhyam se maine aap logo ko ye batane ki kosis kiya hai ki two way switch ki wiring ka ek aur tarika hai jo ham me se kai logo ko pata nahi hota hai waise ye trick kaafi purana. Learn how to connect a 2 way switch circuit using 2 wire and 3 wire method.
A 2 way switching connection means you can control an electrical equipment like bulb by two switches placed at different places generally used in the staircase. There are a couple of ways in which you can make a two way switch connection.


















