Dark active switch circuit 741 opamp. Here is 10000mah home made power bank circuit diagram.
Usb Switch For Printers Schematic Circuit Diagram
Usb switch circuit diagram. Electronic projects circuit diagram tutorials. Usb switch schematic circuit diagram. Usb switch selectorablewe kvm switcher 4 port usb 20 peripheral sharing switch for mouse keyboard scanner printer with one button switch and 2 pack usb cable 40 out of 5 stars 66 1598 15. We will take the voltatge from the first and last pin of the connector. Vcc gnd data and data. The circuit operates from the.
It has circuit to control the power flow to provide regulated supply. Ask question asked 4 years 7 months ago. Over voltage automatic switch off circuit. This is a usb switch i am trying to build. Usb a b 20 and 30 cable pinout. Power supplies usb circuit diagrams no comments.
Active 4 years 7 months ago. Viewed 925 times 0 begingroup i am a new logic hobbyist. Place the 4 pin connector for the usb connection on the breadboard. Usb cable with switch yeebline 3 pack usb male to female extension cord inline rocker onoff switch for driving recorder led desk lamp usb fan led strip 3 pack black 38 out of 5 stars 14 799 7. The usb cable provides four pathways two power conductors and two twisted signal conductors. The keyboard will be connected to.
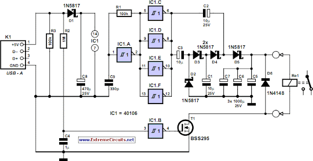
The usb device that uses full speed bandwidth devices must have a twisted pair d and d conductors. Add tip ask question comment download. It has 4 connections to it ie. Add tip ask question comment download. Presented here is the circuit diagram for the usb switch. This process is necessary for.
With the ldr circuit diagram keep on working as a dimmer switch. Circuit four resistors a opamp two potentiometers an ldr analog. Introduction to usb circuit design usb is an acronym for universal serial bus and is the technology that enables the connections between computer and external devices over a cable using bi serial transmission. December 06 2019 in. Usb port is used to input for charging and also for output. Usb share and switch circuit.
Usb led lamp circuit description here is a simple usb powered lamp that can be used to light your desktop during power failures. I want to share my keyboard between two computers and be able to switch between them by clicking on sw1. Anyone experimenting or developing usb por ted peripheral hardware soon becomes irritated by the need to disconnect and connect the plug in order to re establish communication with the pc. First on the net diagram of a usb hub for your computer this assembly is being tested this page will be updated during the tests and complete assurance of that hub.

















