Arduino stepper motor control circuit diagram and explanation. We have used the 28byj 48 stepper motor and the uln2003 driver module.
Stepper Motor Wiring Diagram Circuit Diagram Electrical Wires
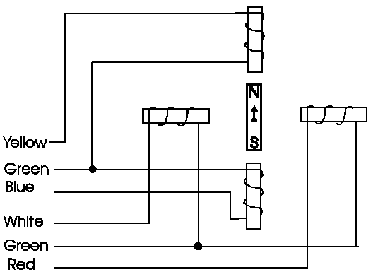
Stepper motor wiring diagram. Speaking specifically of holding torque the datasheet shows that if you turn the motor on a unipolar driver it loses 30 of the torque. Stepper motor wiring diagram elegant ponent series circuit diagrams. Since coils a and b on the diagram above are not connected the resistance between leads a1 and b1 or between a1 and b2 will be infinite. It shows the components of the circuit as simplified forms as well as the power and also signal links in between the tools. The circuit diagram for the arduino stepper motor control project is shown above. If that happens youll need to closely look at the data sheet that generally is shown when you purchase the steppers or it will say something like blacka greena redb blueb.
This is a datasheet of a nema 17 6 wire which can be connected as bipolar or as unipolar. Nema 23 stepper motor wiring diagram wiring diagram is a simplified welcome pictorial representation of an electrical circuitit shows the components of the circuit as simplified shapes and the aptitude and signal friends amongst the devices. This shows that the stepper motor in general starts at a low rpm and the torque decreases as the speed increases. A wiring diagram is a simplified standard pictorial representation of an electrical circuit. Stepper motor wiring diagram elegant ponent series circuit diagrams. Assortment of stepper motor wiring diagram.
Bipolar stepper motors have two windings which are not connected to each other wired internally like this. If your stepper motor has 4 wires it is a bipolar stepper motor. If your stepper motor is making funky jumps or just shakes it generally means the wires from the motor dont line up with the 2b 2a 1a 1b pins on the board. Easy to build cnc mill stepper motor and driver circuits 6 steps. To energise the four coils of the stepper motor we are using the digital pins 8910 and 11. Stepper motor wiring diagram sample stepper motor wiring diagram elegant ponent series circuit diagrams.
.png)















