Briggs stratton sells electrical components only for engines. This product is intended for use with briggs stratton home standby generator sets and therefore may.
Go Power Ts 30 30 Amp Automatic Transfer Switch
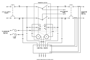
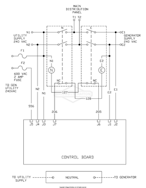
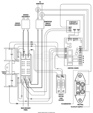
Briggs and stratton transfer switch wiring diagram. Page 1 home generator systems installation operators manual 200 amp automatic transfer switch with ac power control module manual no. 71068 briggs stratton 200 amp ats wservice disconnect 120240 single phase nema 3r cabinet120240v 2 polesoutdoor transfer switch accm air condition control modulecompatible with 10kw 20kw standby air cooled bs generatorsservice disconnect utility and generator side. Check out experts recommended alternatives for another top automatic transfer switch. Collection of briggs and stratton transfer switch wiring diagram. Briggs stratton power products group llc transfer switch owner warranty policy effective november 1 2005 replaces all undated warranties and all warranties dated before november 1 2005 limited warranty briggs stratton power products group llc will repair or replace free of charge any parts of the equipment that is defective in. A wiring diagram is a streamlined standard pictorial representation of an electrical circuit.
The briggs stratton 200 amp automatic transfer switch ac shedding service disconnect 71046 has been discontinued. Briggs and stratton wiring diagram briggs and stratton wiring diagram briggs and stratton wiring diagram 125 hp briggs and stratton wiring diagram 12hp every electric structure is composed of various distinct pieces. An automatic transfer switch works with the generator to automatically power up during a power outage manage power distribution among appliances and turn off once power is restored. Need more information go to wwwnorwall. Briggs and stratton transfer switch wiring diagram and stratton power products 0 200 amp automatic briggs stratton power 0 w 200 amp 19 generac automatic transfer switch wiring diagram. It reveals the parts of the circuit as simplified shapes as well as the power and also signal links between the tools.
Each part ought to be set and connected with different parts in specific way. Your local briggs stratton dealer or standby generator retailer can help you determine the right backup generator and transfer switch for your needs. If you are replacing or rebuilding parts of the small engine on your lawn mower snow blower or other outdoor power equipment the basic schematics or wiring diagrams of our alternator systems are available in our guides below. Transfer switch thank you for your purchase of this briggs stratton power products automatic transfer switch. If not the structure will not work as it ought to be.














