1 the metric system is used in this document and all figures are shown with. It shows the components of the circuit as streamlined forms as well as the power and signal connections in between the devices.
11a2 Remote For Overhead Crane Wiring Diagrams Wiring Resources
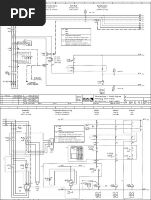
Crane pendant wiring diagram pdf. Be sure to choose the correct cable gland for the cable used. For your convenience the overall dimensions of the 3203 prprx crane are included on the general dimension drawing. A wiring diagram is a streamlined standard photographic representation of an electric circuit. Servicing auto crane products. Or you are a pupil or maybe even you that simply want to know about overhead crane electrical diagram. Variety of hoist pendant wiring diagram.
You might be a service technician that wishes to seek referrals or address existing problems. 241 disassemble pendant according to instructions in section 21 242 cut the two packing glands apart and use only one. Dsc ex control pendant 214 832 44 dse10 c control pendant 214 998 44 dc tandem box 211 108 44 vg11 34 eu11 34 dual output gearbox 211 122 44 dc 1 15 guide plate accessories 211 095 44 dsc strain relief device 211 092 44 test and inspection booklet dc test and inspection booklet 214 745 44 certificates 235 309 44 tab. It is highly recommended that crane owners equipment managers and supervisors also read this manual. Ql modular crane pendant lm05lm10lm16lm20lm25 electric chain hoist this wiring diagram of the bridge controls shown below is for general reference only. It is highly recommended that crane owners equipment managers and supervisors also read this manual.
Searching for details regarding overhead crane electrical diagram. Crane type year of manufacture load capacity crane serial number chain hoist model code chain hoist serial number drawing number operating voltage control voltage frequency wiring diagram number contactor controldirect control supplier assembled by signature date tab. For your convenience the overall dimensions of the 5005eh crane are included on the general dimension drawing. Auto crane has incorporated several safety features in the 3203 prprx crane for your protection. Xn10 im manualen11302010 385 this document and the information contained herein is the exclusive property of konecranes plc and represents a non public confidential and proprietary trade secret that may not. Auto crane has incorporated several safety features in the 5005eh crane for your protection.
A wiring diagram for the bridge controls is generated to the order to reflect the components supplied. The glands are labeled in millimeters. It shows the elements of the circuit as streamlined shapes as well as the power as well as signal links in between the gadgets. Servicing auto crane products. If the cable gland is loose an adequate seal will not be. 3 13 symbolssignal words.
Wiring diagram continued tm 5 3810 306 20543 size. A wiring diagram is a streamlined standard photographic representation of an electric circuit. Assortment of crane pendant wiring diagram. It is furnished under a separate cover. You are right below.
















