Wiring diagrams and further information continues below. If you do need support please contact us our opening hours are monday to friday 9am 7pm saturday 9am 5pm and sunday 10am 5pm webchat only.
S Plan Electrical Diagram Yamahamonster Alpasaw Zografisch Nl
Hive y plan wiring diagram. I have a y plan heating system with 3 port valve and hot water tank etc. Part 3 in the series looks at y plan wiring a system which uses a single 3 port valve. This video covers the wiring and electrical operation of a y plan system. Hive receiver in its place. If needed you can use a stand off sls1 supplied separately to create space to accommodate existing wiring or to cover bare wall when replacing a dual gang controller. This has one inlet and two outlets one for hot water the.
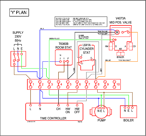
American electrical advice forum. Electrical wiring for central heating systems. V4073a y plan how a mid position valve operates within a y plan heating system how a w plan heating system operates faq pump overrun wiring diagrams for s plan incorporating a st9400 programmer. The wiring must comply to the current edition of bs7671 the iet wiring regulations and the appropriate building regulations or standards in place. Weve created a guide for installing your hive active heating which you can download here. Full wiring diagram for dual channel receiver.
Gravity system y plan with no hot water off wire. Y plan wiring diagram with hive. If you have a gravity fed or a y plan system 3port valve with no hot water off wire the green status light should be altered to be blue. View and download hive active heating installation manual online. Can you supply a typical wiring schematic so i can get my system up and running. The hive receiver is double insulated so doesnt need an earth connection.
This diagram shows the wiring layout using the most typical components. Here coloured wires indicate the permanent mains supply to the boiler and programmer. Electrical wiring for central heating systems. Hi my wiring is deferent to how you suggest in the install guide for a dual channel receiver. Competent in the installation of electrical accessories. If the existing controller does have a compatible backplate simply remove the front panel of the existing controller and snap the hive receiver.














