1990 1991 1992 1993 1994 1995 1996 1997 1998. This webpage contains toyota land cruiser 2000 electrical wiring diagram pdf used by toyota garages auto repair shops toyota dealerships and home mechanics.
Wiring Diagram For 1990 Land Cruiser Wiring Diagrams
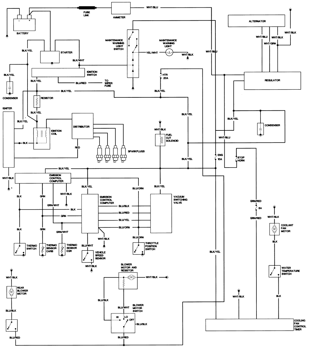
Toyota land cruiser electrical diagram. Toyota land cruiser prado 90 electrical wiring diagram. Describe the meaning of the sd in diagram component t. With this toyota land cruiser workshop manual you can perform every job that could be done by toyota garages and mechanics from. Toyota land cruiser lj70 supplement electrical wiring diagram. This is a must for anyone who insists on genuine oem quality parts. Power source ground point position of parts in engine compartment position of parts in instrument panel position of parts in body position of parts in seat location of connector joining wire harness and wire harness location of splice points circuits.
Toyota land cruiser lj70 ewd168f electrical wiring diagram. Download free 1996 toyota land cruiser electrical wiring diagram pdf this 1996 toyota land cruiser electrical wiring diagram covered. Toyota land cruiser 1998 1999 2000 2001 2002 2003 2004 2005 2006 2007. Describe the meaning of the 2 in diagram component s. Describe and identify the diagram component u. Toyota land cruiser hj60 electrical wiring diagram.
It is very detailed with good diagrams photos and exploded views. Describe the meaning of the g w in diagram component r. Describe the meaning of the c13 in the diagram component q. Toyota land cruiser prado 120 electrical wiring diagram. This is the finest manual available. Until 2012 cars with a 47 liter gasoline engine 288 hp and five speed automatic machines were delivered to our market.
Toyota land cruiser 2000 electrical wiring diagram pdf. Toyota land cruiser 1998 2007 electrical wiring diagram. Toyota land cruiser 200 has been in production since 2008 in japan. Toyota land cruiser 1990 1998 electrical wiring diagram. In the american market the car is also offered with a 57 liter gasoline engine 386 hp. Repair and maintenance manual toyota land cruiser 1990 1998 manual in russian on maintenance and repair spare parts catalog for toyota land cruiser 80 series of 1990 1998 with 35 42 liter diesel engines.
1991 toyota land cruiser electrical wiring diagram fj80 series station wagon wpramaprice asinb001b1hhg2 this is the official repair manual that the dealers and shops use. Understanding toyota wiring diagrams worksheet 1 1.







.gif)






